Welocome to Contact Kican
Three-stage cast iron pump series
KC-P4 Series is a 100% Direct Replacement for Shimadzu SGP1 Series hydraulic pumps, offering the following key advantages:
Seamless Compatibility: Direct replacement without system modifications, significantly reducing costs and downtime.
Warranty Assurance: Comes with a 12-month warranty, matching OEM reliability standards.
High Performance:KC-P4 Pump boasts excellent durability (withstands 24.5MPa shock fatigue tests), high volumetric/mechanical efficiency, long service life via anti-wear bearings, and a compact, lightweight aluminum-alloy body.
Wide Applicability:1-3.5T internal combustion forklifts, 50-100HP wheeled tractors, and other construction, industrial handling, and agricultural machinery.
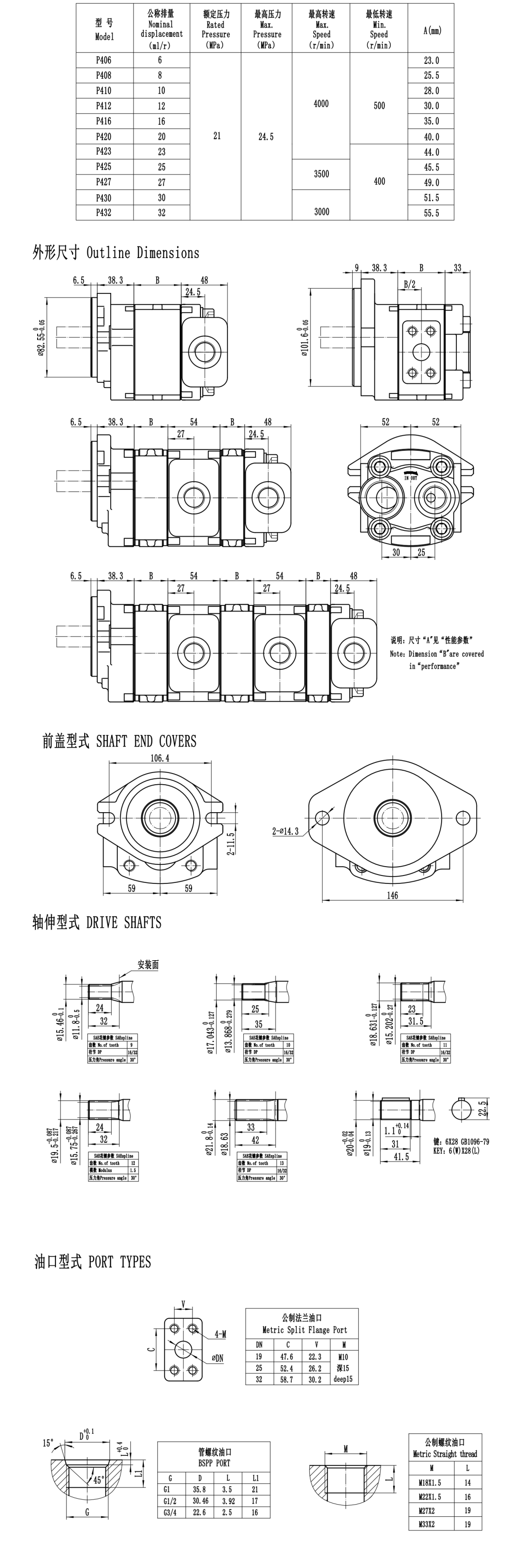
Specific Model & Advantages
KC-P406/KC-P408/KC-P410/KC-P412/KC-P416/KC-P420/KC-P423/KC-P425/KC-P427/KC-P430/KC-P432
100% Interchangeable Replacement | For Shimadzu SGP1406/SGP1408/SGP1410/SGP1412/SGP1416/SGP1420/SGP1423/SGP1425/SGP1427/SGP1430/SGP1432
The Shimadzu SGP1 Pump is a high - performance external gear pump. It features excellent durability, having successfully passed one - million - time shock fatigue tests under 24.5MPa. With precise structural design, it offers high volumetric and mechanical efficiency. Equipped with high - anti - wear bearings, it has a long service life, especially in high - pressure and high - speed conditions. Its body, made of aluminum alloy, is lightweight and compact, resulting in low noise.
Common parameters include various displacement options such as 16.2cm³ (SGP1 - 16), 18.3cm³ (SGP1 - 18), etc. Additionally, KC - P4 series can be a complete substitute for the Shimadzu SGP1 Pump, providing similar performance and functionality to meet the needs of different applications in construction machinery, industrial vehicles, and agricultural machinery.
Technical Specifications

Application
Internal Combustion Forklifts: Widely applied in 1 - 3.5T models like the Toyota 8FGC25 internal combustion forklift. The Shimadzu SGP1 Pump ensures stable hydraulic power supply for lifting and tilting operations.
Wheeled Tractors: Suitable for 50 - 100HP tractors, such as the John Deere 5085E. It provides the necessary hydraulic pressure for functions like plowing and lifting agricultural attachments.
Small - scale Construction Machinery: Used in mini - excavators like the Kubota KX016 - 5. The pump helps in the smooth operation of the boom, arm, and bucket movements, enabling tasks like digging and trenching in small - scale construction projects.